称重和测力的传感器-"loadcell"
力传感器和与它连接的放大器、仪表等分别有"4线式"和"6线式"。如果不正确接线,则不仅不能进行准确测量,而且还有可能会受到温度和线缆过长的影响。
这次就4线式和6线式的接线方式进行讲解。
4线式力传感器和4线输入的仪表的连接
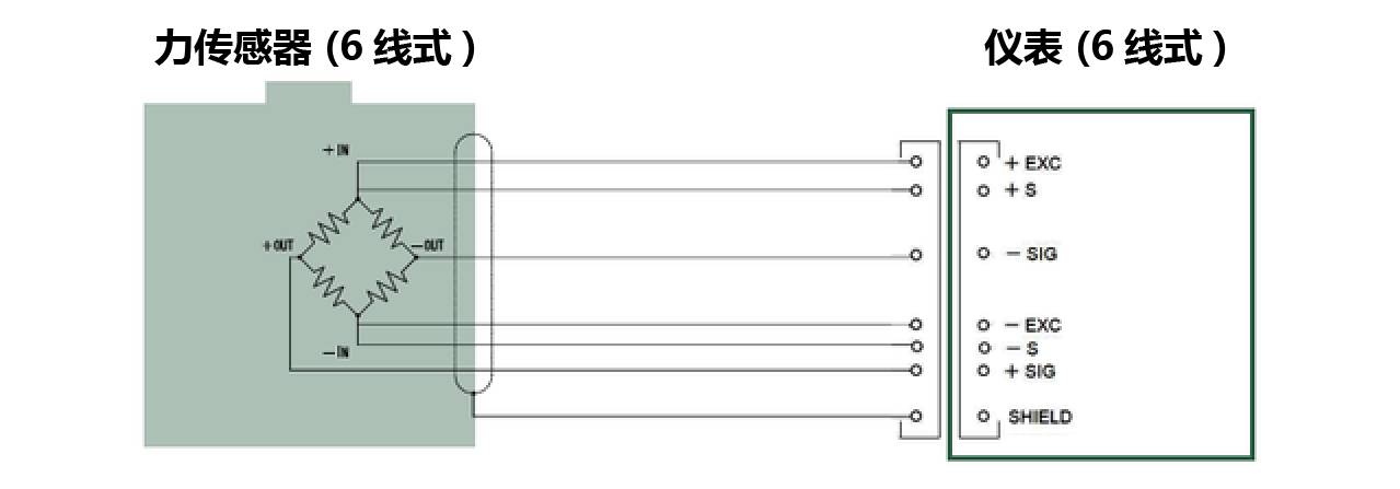
6线式力传感器和6线输入的仪表的连接
遥感方式
把在力传感器的根部对+EXC 和-EXC的监测的方式叫做"遥感方式"。6线式的话+S是监测+EXC电压,-S是监测-EXC电压的线。
按照上述方式,通过使用具有使EXC间电压保持稳定的功能的仪表,可以进行准确地测量,使力传感器不受线缆过长和温度变化的影响。
遥感方式对应的仪表
标准型称重仪表FC1000
数显/触摸屏式 称重仪表F805AT系列
多功能型 称重仪表F800
数显/触摸屏式 称重仪表F600AT
4线式力传感器和6线式输入仪表的连接
在仪表的连接头或端子台上使+EXC和+S短路,使-EXC和-S短路连接。
*没有使之短路的话,仪表的显示有时会不稳定。
6线式力传感器和4线式输入仪表的连接
把力传感器的+S在+EXC上短路,-S在-EXC上短路,仅把+EXC、-EXC连接到仪表上。
或者仅把+EXC、-EXC连接到仪表上,+S、-S用绝缘胶带卷起来。
尤尼帕斯会为您提供在力传感器上安装接头的服务。在使用的仪表上进行适合的接头接线。